W związku z wejściem w życie Rozporządzenia o Ochronie Danych Osobowych zaktualizowaliśmy Regulamin sklepu oraz Politykę Prywatności.
Zachęcamy do zapoznania się z tym dokumentami w zakładce Regulamin i Polityka Prywatności.
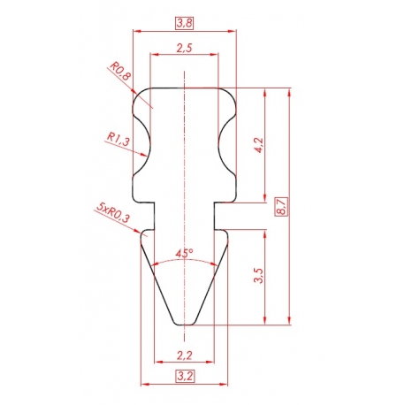
Silikon lity typ T Zobacz większe

Uszczelka silikonowa typ T - 3961

Nowy produkt

31,98 zł (brutto)

26,00 zł netto

Dodaj do listy życzeń

Więcej informacji

1 szt. = 1 m

Materiał: silikon lity
Twardość: 40 (±5° ShA)
Kolor: bezbarwny
Odporność termiczna: -60/200° C

Druty Oporowe - Ceratki Teflonowe

ul. Pułtuska 109A; 06-120 Winnica; Telefon: 22 486 32 06, 22 486 32 08